Floor framing plan structure details of residential villa dwg file
Description
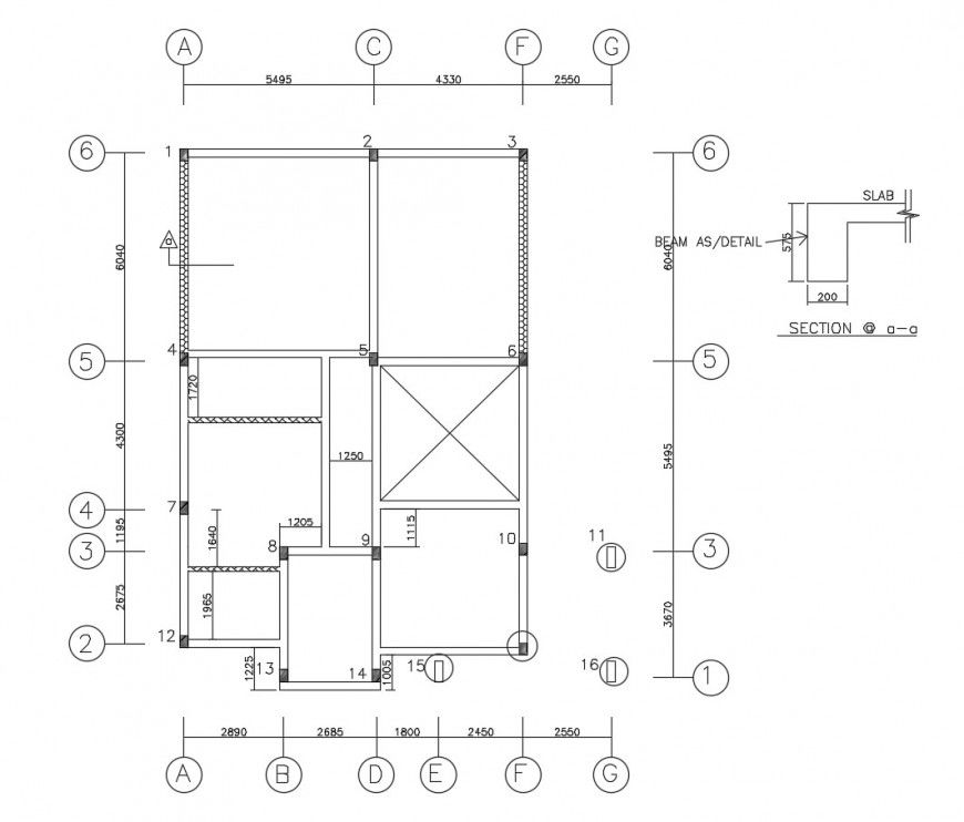
Floor framing plan structure details of residential villa that includes a detailed view of wood posts with Grider pre-engineering, steel pipe column and play joints, existing floor joints, knee wall details provided. Steel pipe column with beam schedule details, dimensions details, measures and much more of framing plan details.

Uploaded by:
Eiz
Luna

