Flat concrete grills constructive structure cad drawing details dwg file
Description
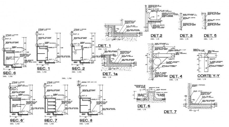
Flat concrete grills constructive structure cad drawing details that includes a detailed view of creative idea of capacity of load of the ground at level of foundation of shoes, foundation floors and concrete-cement mixture, false floors with Surpluses, cement-concrete mix medium stone & concrete structural elements of confinement of masonry walls of hollow blocks, Minimum lengths of overlap (unless indicated) and much more of constructive details with free download.

Uploaded by:
Eiz
Luna

