Steel beam connections cad structure drawing details dwg file
Description
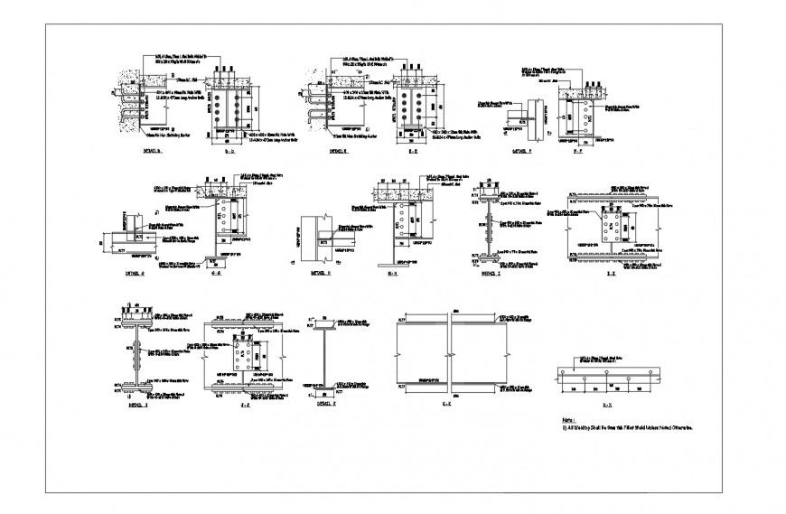
Steel beam connections cad structure drawing details that includes a detailed view of continues slab details with typical beam details, typical solid slab and reinforcement details, typical beam foundation details with dimensions details, memory of material details, construction details and scale details, structure details and much more of beam details.

Uploaded by:
Eiz
Luna

