Electrical layout plan, installation and riser diagram details dwg file
Description
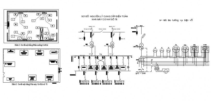
Electrical layout plan, installation and riser diagram details that includes a detailed view of power layout details and lighting layout details, computation and schedule of loads with general notes and specifications, panel board details, riser diagram, convienence details, legends and electric equipment details, cable details and dimensions details and much more of electrical installation details.

Uploaded by:
Eiz
Luna

