Staircase construction, column and constructive structure details of house dwg file
Description
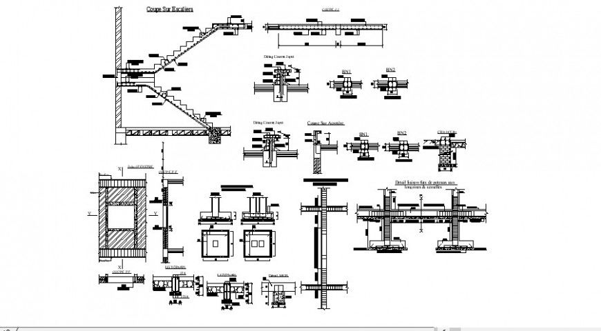
Staircase construction, column and constructive structure details of house that includes a detailed view of front sectional view with main stairways and stairways sectional view of terrace stairways with vest scenario, ceramic floor and horizontal section, tapizon novoflor corrugated beige with ceramic floor clime color Blanco and foot print ceramic, novice glue and steps details, supportive wooden railing installation, base floor concrete plan, wall construction dimensions view, supportive pillar view and much more of stairways details.

Uploaded by:
Eiz
Luna

