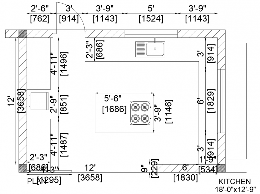
Construction plan of kitchen with the appliances 2d view autocad file
Description
Construction plan of kitchen with the appliances 2d view autocad file, plan view detail, wall and flooring detail, kitchen furniture and equipment detail, room dimensions detail, platform detail, gas-stove detail, cabinet and shelves detail, kitchen sink detail, refrigerator detail, door and window detail, etc.
File Type:
DWG
File Size:
58 KB
Category::
Construction
Sub Category::
Kitchen And Remodeling Details
type:
Gold

Uploaded by:
Eiz
Luna

