Architectural Small house 2 floors project design drawing
Description
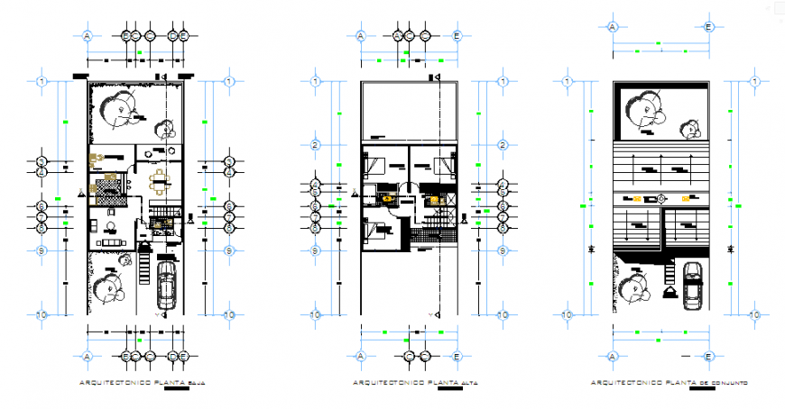
Here the Architectural Small house 2 floors project design drawing with ground floor layout design, first floor layout design, center line layout design drawing, working layout design drawing, furniture layout design drawing in this auto cad file.
Uploaded by:
Eiz
Luna

