Underground Water Tank
Description
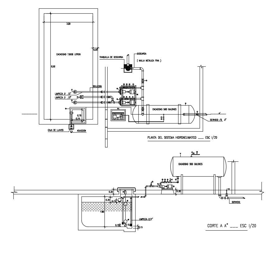
CAD drawing detailing of water tank design and section view which shows underground water tank design along with pipe blocks details, electrical motor details, pipe fixtures details, and other plumbing unit details.
Uploaded by:
Priyanka
Patel

