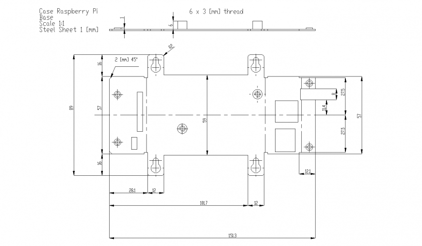
Raspberry metal case detail layout plan in dwg AutoCAD file.
Description
Raspberry metal case detail layout plan in dwg AutoCAD file. This drawing includes the detail layout plan of the raspberry metal case with steel sheet, with detail dimensions in 1:1 scale.
File Type:
DWG
File Size:
17 KB
Category::
Mechanical and Machinery
Sub Category::
Mechanical Engineering
type:
Gold

Uploaded by:
Eiz
Luna
