Join earth of sensors with control electrical door diagram details dwg file
Description
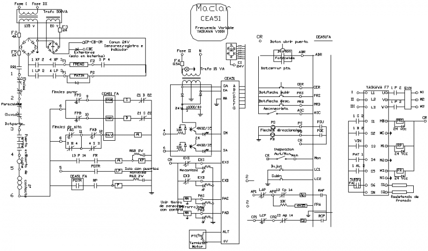
Join earth of sensors with control electrical diagram details that includes a detailed view of External braking resistor (only in batteries), Common 24V Sensors, register and indicator, Only with manual doors, Door open button, Parachute, Variable Frequency, dimensions details and much more of door details.
File Type:
DWG
File Size:
95 KB
Category::
Electrical
Sub Category::
Electrical Automation Systems
type:
Gold

Uploaded by:
Eiz
Luna

