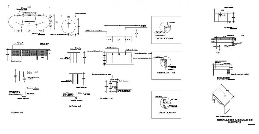
Storage table and study table working drawing in dwg file.
Description
Storage table and study table working drawing in dwg file. detail drawing of different types of storage and study table , plan , section and sectional elevation drawing , joinery details, isometric detail drawing , with dimensions and descriptions.

Uploaded by:
Eiz
Luna

