Recessed type sprinkle system within wall electric installation details
Description
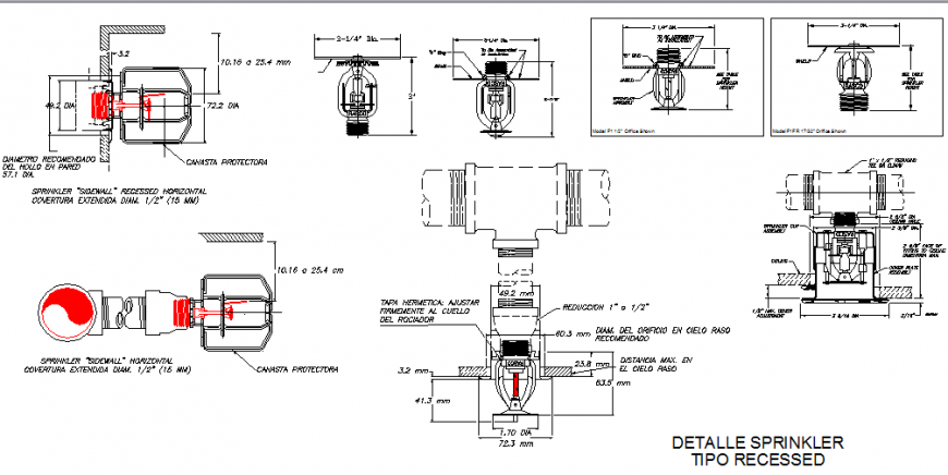
Recessed type sprinkle system within wall electric installation details that includes a detailed view of sprinkler "sidewall" recessed horizontal covertura extendida diam. 1/2 "(15 mm), recommended diameter of wall on wall, protective basket, hermetic cover: firmly adjust spray neck, diam. of the orifice in heaven recommended, distance max. in the sky sky, shield, to be assembled at installation and much more of sprinkle details.
File Type:
DWG
File Size:
151 KB
Category::
Electrical
Sub Category::
Electrical Automation Systems
type:
Gold

Uploaded by:
Eiz
Luna

