Constructive section facade and back details of house building dwg file
Description
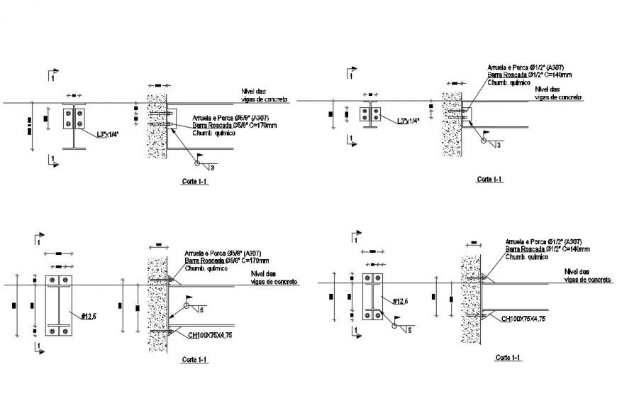
Constructive section facade and back details of house building that includes a detailed view of wall construction, memory of materials, footings details, column view, beam construction, covers closure type, soil burried wall closure , exterior solera, holes, interior partition, granite veneer of the country with steel supports, halfeneisen type and much more of construction details.
File Type:
DWG
File Size:
1 MB
Category::
Construction
Sub Category::
Construction Detail Drawings
type:
Gold

Uploaded by:
Eiz
Luna

