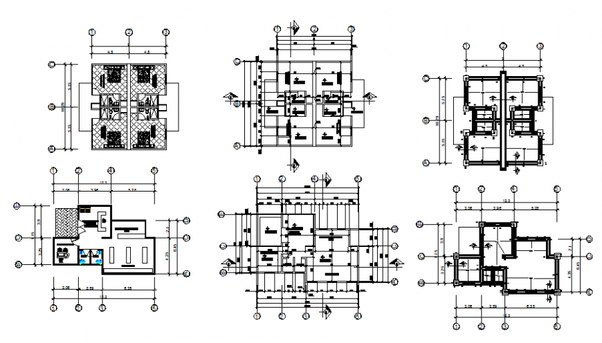
Foundation to working office plan detail
Description
Foundation to working office plan detail, centre line plan detail, dimension detail, naming detail, section line detail, top elevation detail, not to scale detail, brick wall detail, flooring detail, slope direction detail, furniture detail in door and window detail, etc.

Uploaded by:
Eiz
Luna

