Structure Construction design
Description
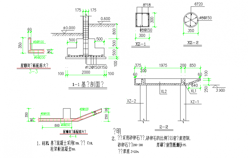
Structure Construction design,The cushion is made of sand pebble cushion.Eaves edge banding reinforcement, Sand pebbles are rolled three to five times per shop.
File Type:
DWG
File Size:
48 KB
Category::
Construction
Sub Category::
Construction Detail Drawings
type:
Gold
Uploaded by:
Eiz
Luna

