Valve Rod plan atuocad file
Description
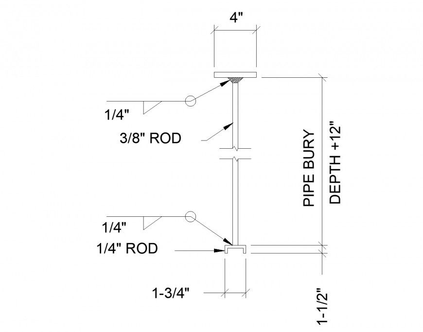
Valve Rod plan atuocad file, dimension detail, naming detail, pipe bury detail, depth +12” detail, ¼” rod detail, 3/8” rod detail, cut out detail, etc.
File Type:
DWG
File Size:
44 KB
Category::
Mechanical and Machinery
Sub Category::
Mechanical Engineering
type:
Gold
Uploaded by:
Eiz
Luna

