Pumping chamber electrical installation details dwg file
Description
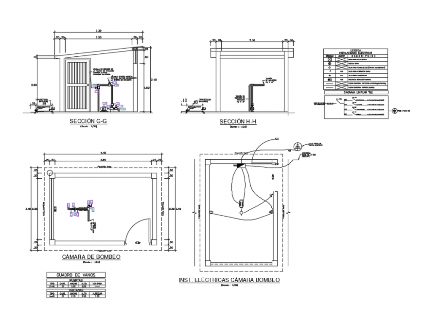
Pumping chamber electrical installation details that includes a detailed view of pumping chamber sectional details with door details, plumbing facilities electrical fittings details, voltage meter details, control room, cable details, panel details and much more of plumbing chamber details.
File Type:
DWG
File Size:
470 KB
Category::
Electrical
Sub Category::
Electrical Automation Systems
type:
Gold
Uploaded by:
Eiz
Luna

