Beam and foundation section autocad file
Description
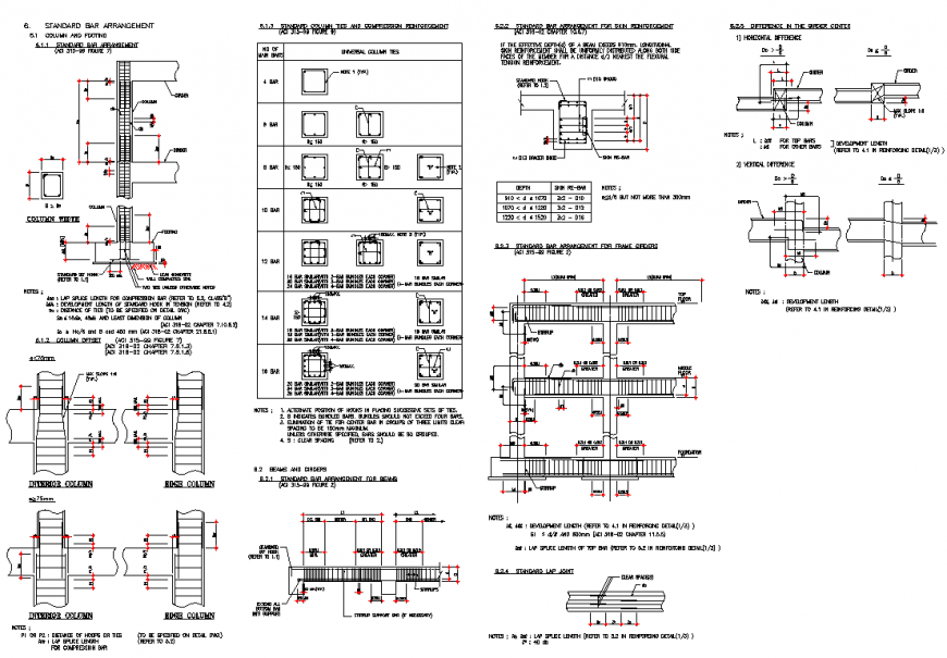
Beam and foundation section autocad file, column section detail, bolt nut detail, reinforcement detail, dimension detail, naming detail, stirrups detail, specification detail, pipe detail, stirrups detail, covering detail, grid lien detail, not to scale detail, hatching detail, etc.
Uploaded by:
Eiz
Luna

