House framing plan cad drawing details dwg file
Description
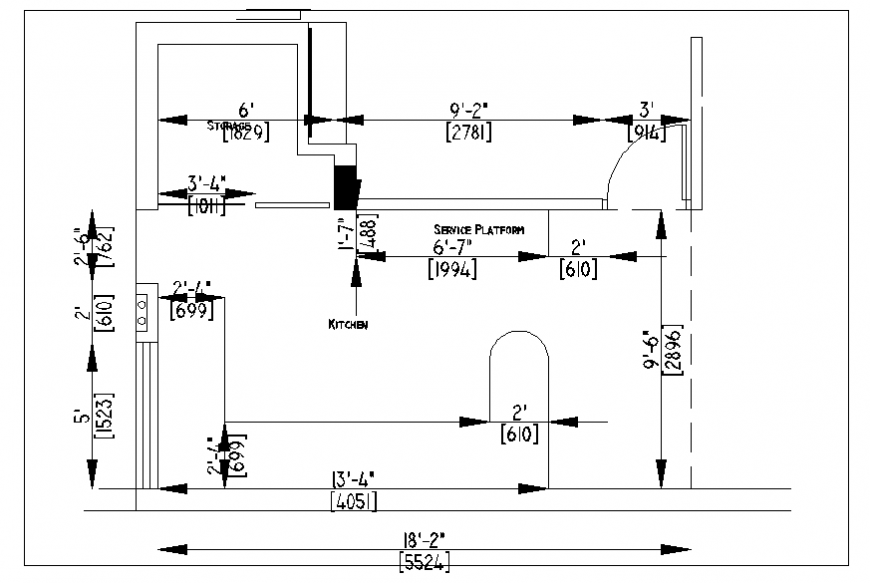
House framing plan cad drawing details that includes a detailed view of wood posts, joints, decking, grider pre-engineering, steel pipe column, play joints, existing floor joints, knee wall, steel pipe column, beam schedule details, dimensions details, measures and much more of framing plan details.
Uploaded by:
Eiz
Luna

