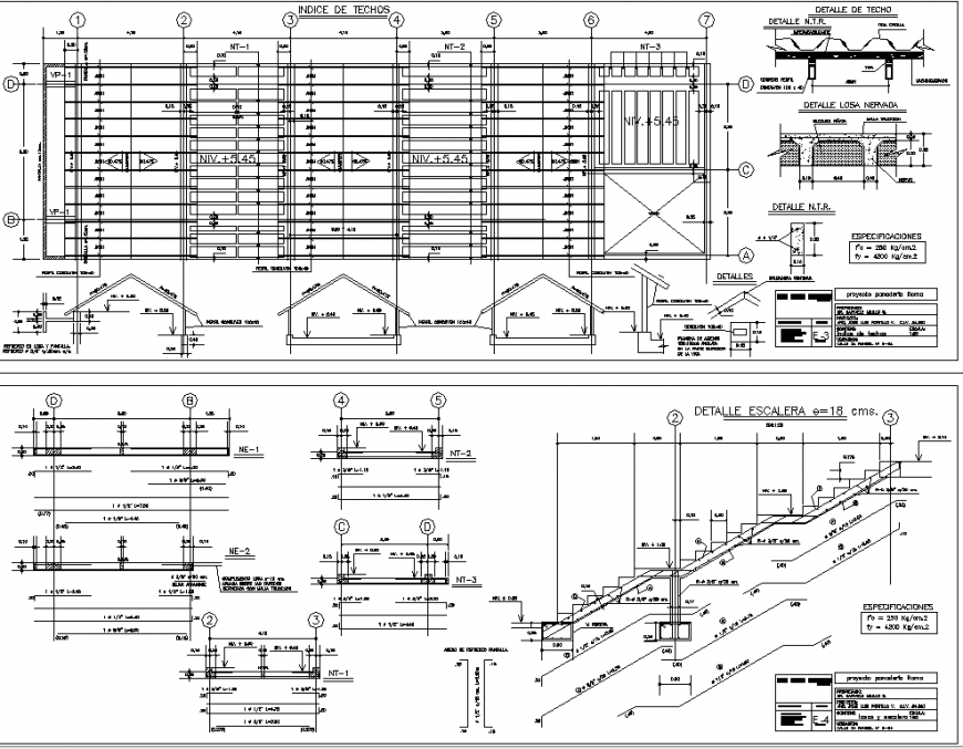
Reinforce concrete detail drawing in dwg AutoCAD file.
Description
Reinforce concrete detail drawing in dwg AutoCAD file. This file includes the concrete reinforce detail of slab, beam and column, roof detail, concrete stairs detail, and concrete bridge detail with detail dimensions and description.
Uploaded by:
Eiz
Luna

