Dimensions armed beams different types of design view dwg file
Description
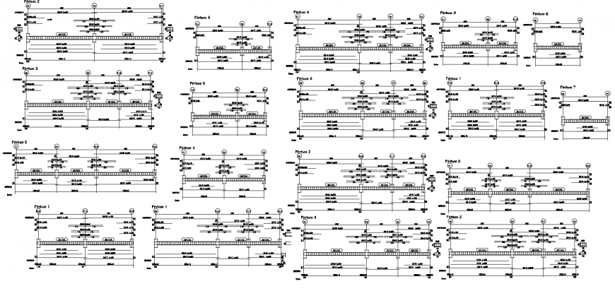
Dimensions armed beams different types of design view dwg file in beam design with view of beam different size design view with column mounting position on beam view and different types of beam design with important dimension.
File Type:
DWG
File Size:
1.5 MB
Category::
Construction
Sub Category::
Concrete And Reinforced Concrete Details
type:
Gold
Uploaded by:
Eiz
Luna

