Electrical Motor circuit detail elevation 2d view layout file
Description
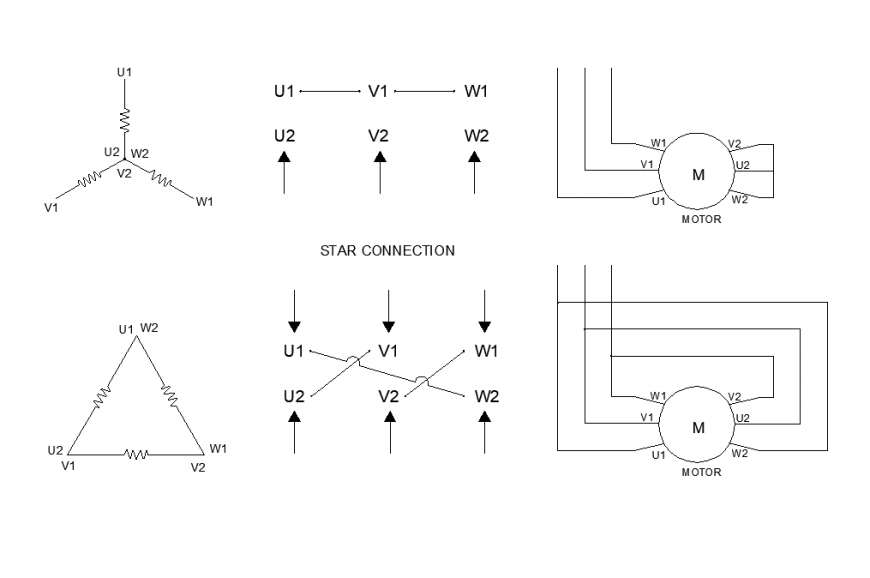
Electrical Motor circuit detail elevation 2d view layout file, voltage detail, direct current detail, star connection detail, motor circuit detail, negative and postive current detail, wire detail, plug wire detail, switch for on/ off, current flow detail, etc.
Uploaded by:
Eiz
Luna

