Structural joint construction details with reinforcement of column dwg file
Description
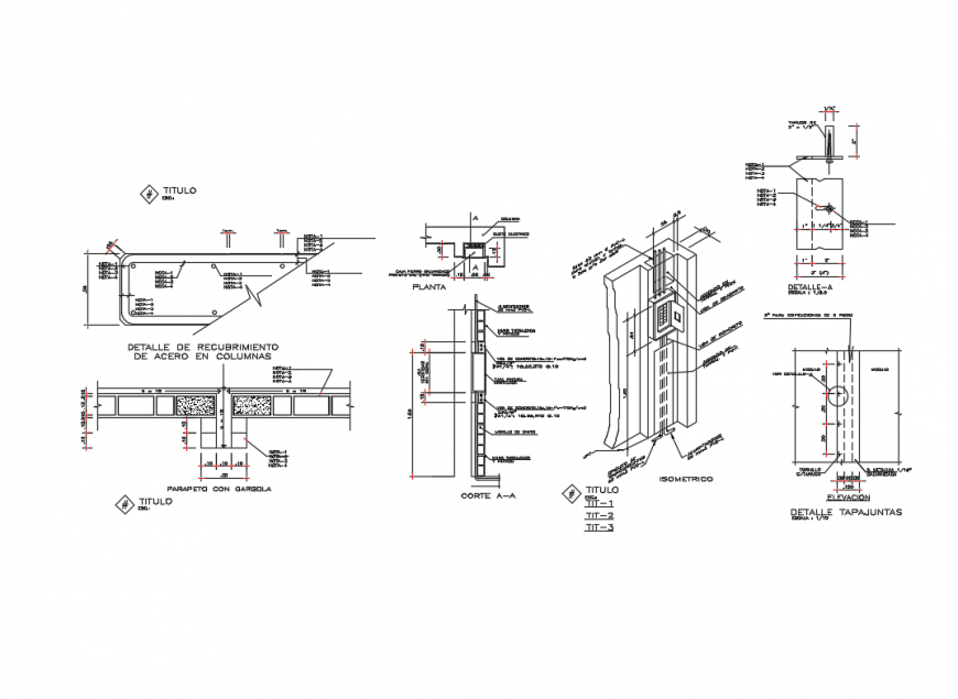
Structural joint construction details with reinforcement of column that includes a detailed view of Reinforced concrete parapet, Stuffed with tezontle, average thickness, Stuck with cement-sand mortar prop, Waterproofing based on prefabricated membrane, Wall concrete hollow block smooth finish, based on granitic acrylic resins, Hollow block wall heavy type of cm, common finish, joined with sand cement mortar with horizontal reinforcement and drowned castles, Galvamet monomuro panel and thick, finished with white pre-lacquered galvanized steel sheet, finished and much more of construction details.
File Type:
DWG
File Size:
402 KB
Category::
Construction
Sub Category::
Concrete And Reinforced Concrete Details
type:
Gold
Uploaded by:
Eiz
Luna

