Free Download Announcement CAD Machine
Description
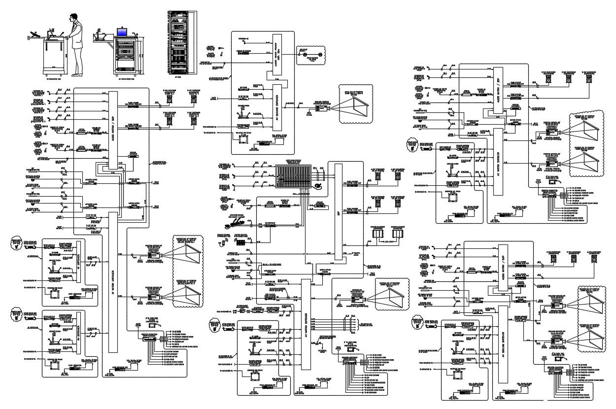
Announcement CAD machine; includes the detail of the amplifier and the announcement mic. Free download the CAD drawing.
File Type:
DWG
File Size:
3.1 MB
Category::
Mechanical and Machinery
Sub Category::
Other Cad Blocks
type:
Free
Uploaded by:
