LOGIN
HOME
CATEGORIES
UPLOAD FILE
PRICING
HOUSE PLAN
ABOUT US
CONTACT US
Construction Joints Details
Home
Categories
Construction
Concrete Details
Construction Joints Details
Uploaded by:
Poonam
View Profile
View Profile
Description
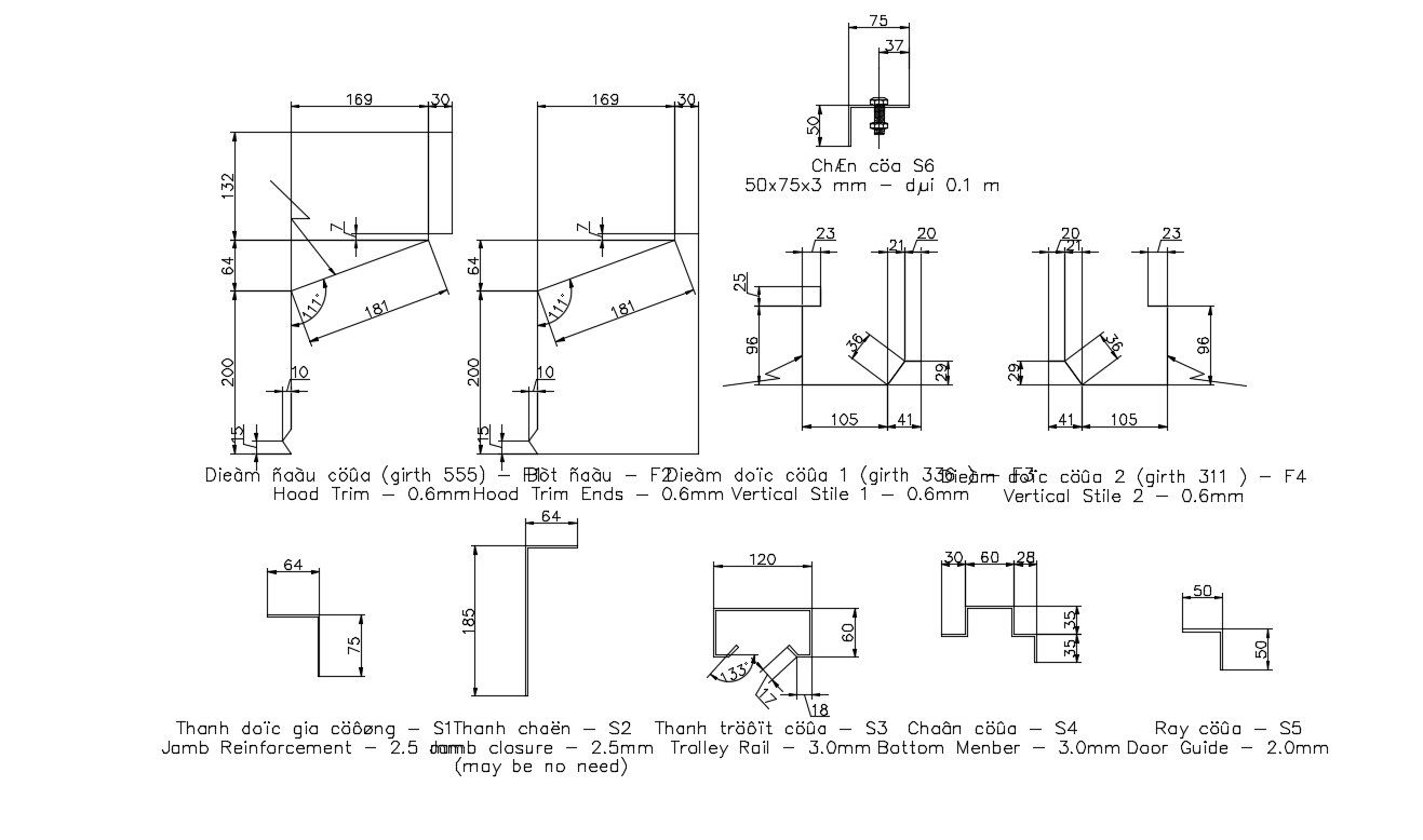
Construction joints details show the welded and bolted joints along with steel brackets and angle section details.
File Type:
DWG
File Size:
428 KB
Category::
Construction
Sub Category::
Concrete Details
type:
Gold
Uploaded by:
Poonam
View Profile
Download
Add to libary
find Latest
Related
Files