LOGIN
HOME
CATEGORIES
UPLOAD FILE
PRICING
HOUSE PLAN
ABOUT US
CONTACT US
Wiring Diagram Free CAD File
Home
Categories
Electrical
Light Fixtures & Fittings
Wiring Diagram Free CAD File
Uploaded by:
Jiya
View Profile
View Profile
Description
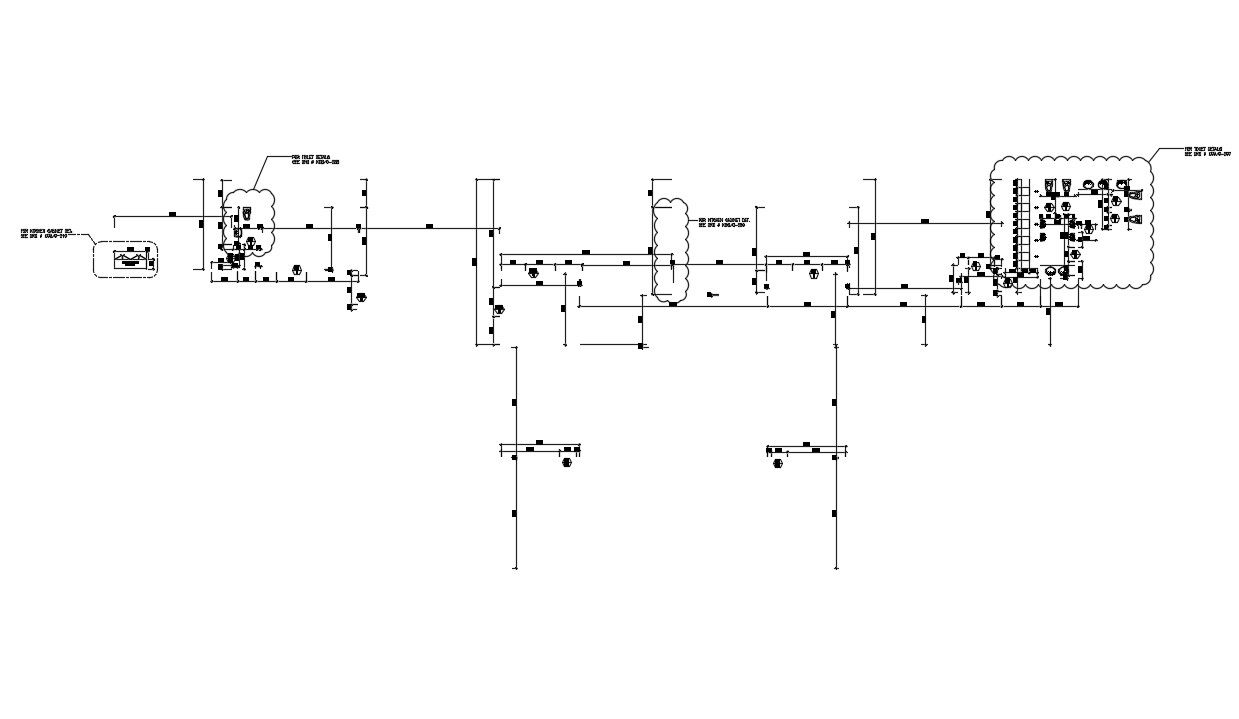
2d design of electrical flow diagram CAD file which shows electrical connectors, wirings details, fuse circuits, and various other blocks details drawing.
File Type:
DWG
File Size:
278 KB
Category::
Electrical
Sub Category::
Light Fixtures & Fittings
type:
Free
Uploaded by:
Jiya
View Profile
Download
Add to libary
find Latest
Related
Files