Mechanical Block CAD File
Description
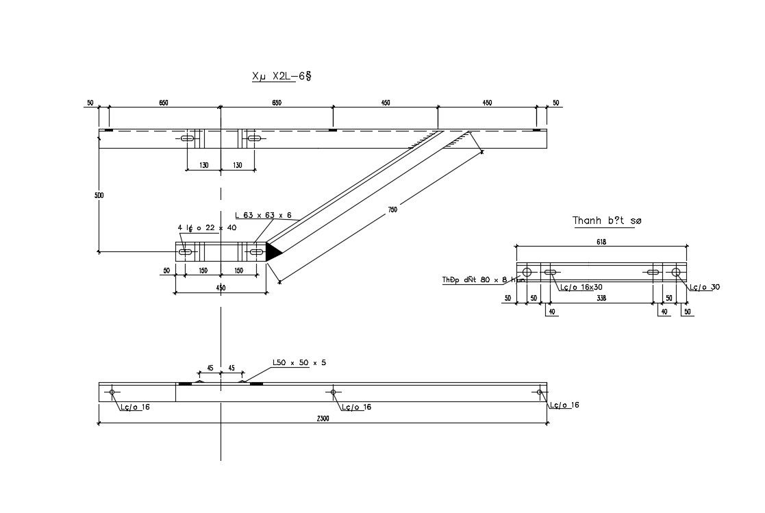
CAD drawing details of machinery units which show welded and bolted joints connections details along with dimension, steel plate, and other unit details.
File Type:
DWG
File Size:
120 KB
Category::
Mechanical and Machinery
Sub Category::
Other Cad Blocks
type:
Gold
Uploaded by:

