Showcase Furniture Design
Description
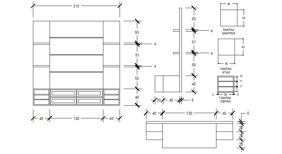
2d Elevation drawing details of showcase furniture blocks that shows shelves and racks details in showcase furniture along with furniture units different sides of elevation drawing.

Uploaded by:
akansha
ghatge

Uploaded by:
ghatge