Download Electrical CAD Block Drawing
Description
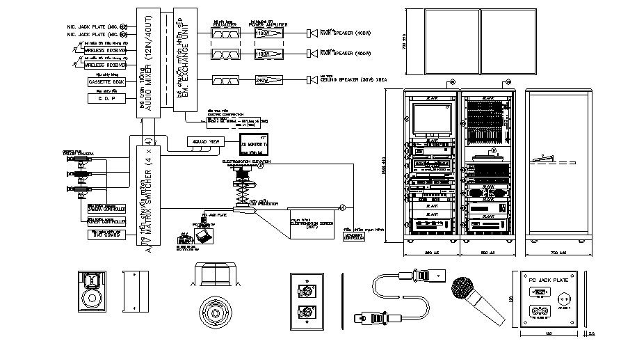
Electrical CAD block; shows the details of the speaker along with the mic, wires, audio mixer, exchange unit, matrix switcher, jack plate. Also given the front elevation and rear elevation.
Uploaded by:

