Horn Speaker Installation Design CAD Blocks Free Download
Description
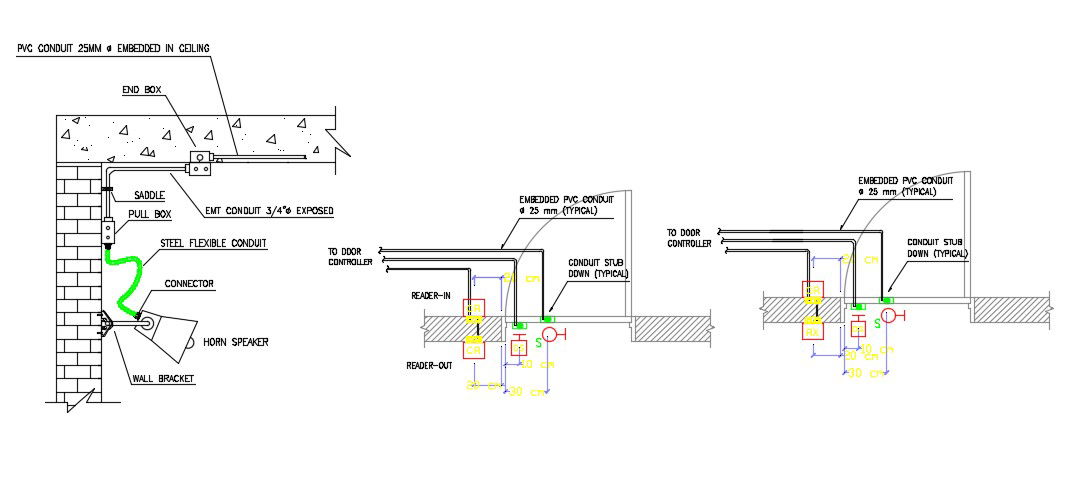
Horn Speaker installation design that shows brick wall design along with PVC conduit, pull box, saddle, steel flexible conduit, connector, wall bracket, and various other units details download CAD file for free.

Uploaded by:
akansha
ghatge
