Combined Footing Design RCC Structure PDF File
Description
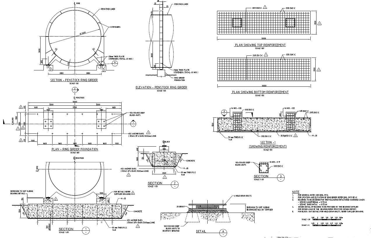
Plan elevation and section design of penstock ring girder unit along with combined footing design that shows reinforcement bars details in tension and compression zone, footing size, section line, RCC work, and various other structural blocks details download PDF File.
File Type:
File Size:
613 KB
Category::
Construction
Sub Category::
Construction Detail Drawings
type:
Gold

Uploaded by:
akansha
ghatge

