Rectangular Combined Footing Design AutoCAD Drawing
Description
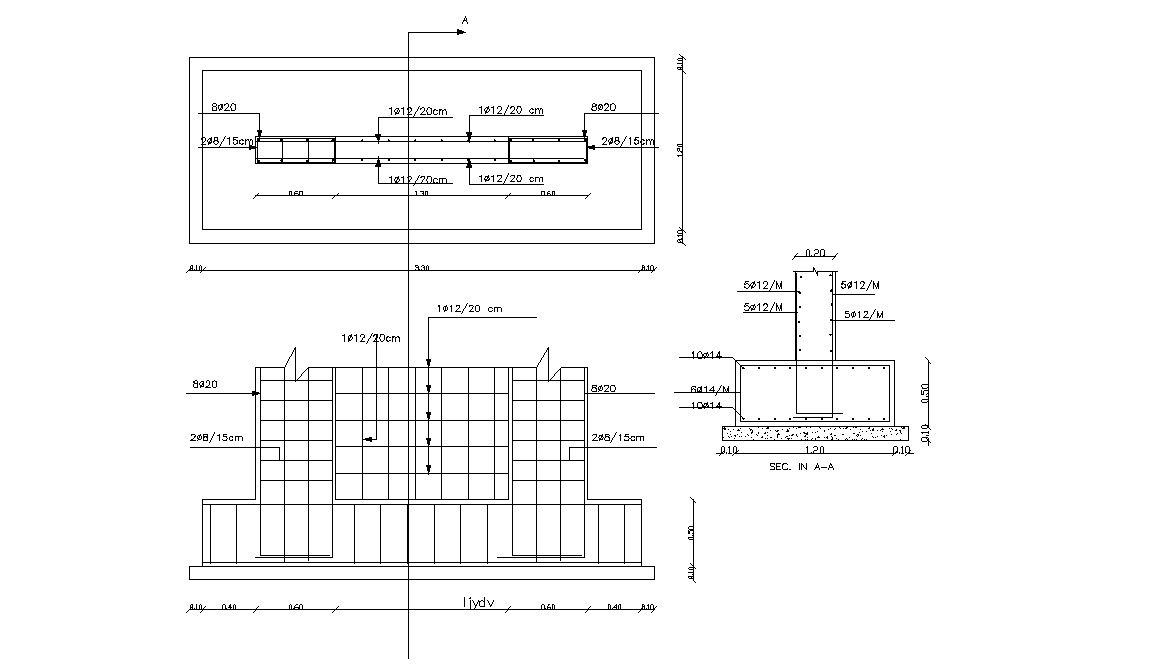
Combined foundation footing structure design that shows reinforcement details in tension and compression zone along with main and distribution hook up and bent up bars details, bar dimension, footing plan and sections, and various other structural units details also included in CAD drawing download file.

Uploaded by:
akansha
ghatge

