Bungalow Column and Ceiling Layout Plan CAD Drawing
Description
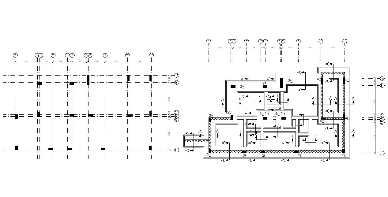
2d CAD drawing details of bungalow construction column arrangement layout plan along with ceiling layout design, centerline design, section line, dimension working set, and various other building various other units details download AutoCAD file.

Uploaded by:
akansha
ghatge

