Construction House Column Footing Plan AutoCAD File
Description
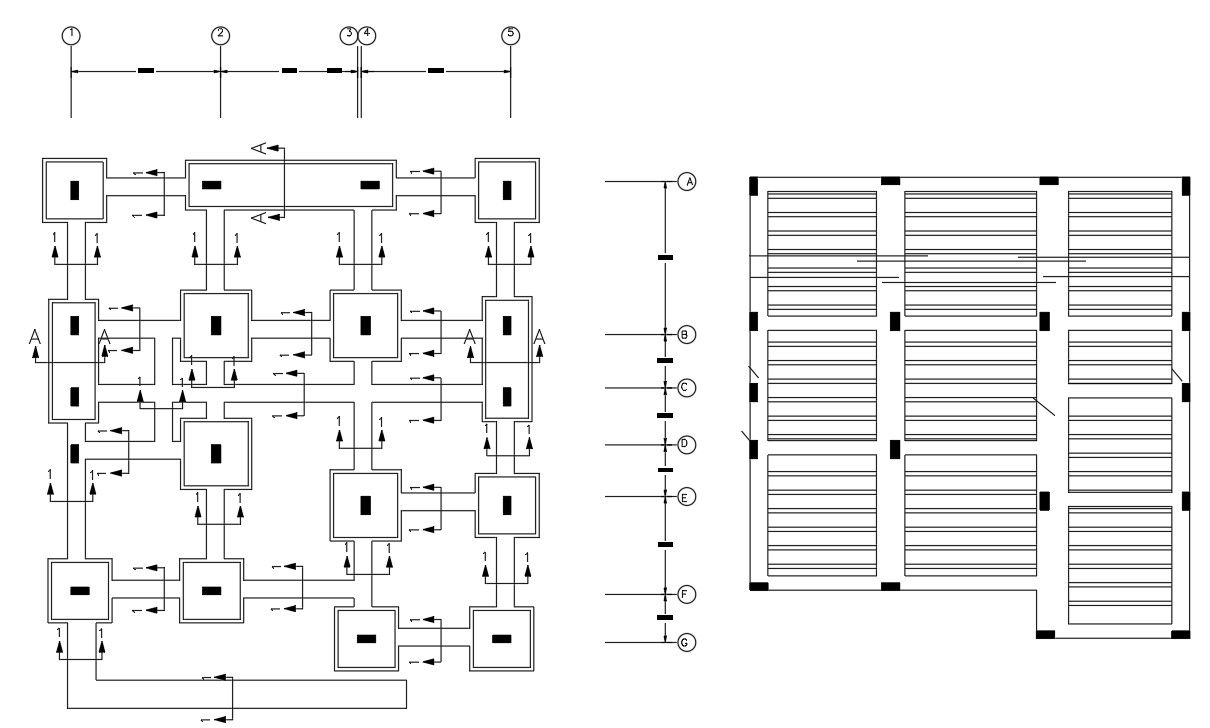
CAD drawing slab reinforcement bars calculation design with column footing details with centerline plan, dimension layout, peripheral excavation line, and much more other details download AutoCAD file for free.
Uploaded by:
