Working Drawing Foundation Plan CAD File

Working Drawing Foundation Plan CAD File
Profile

Uploaded by:

Poonam

Description
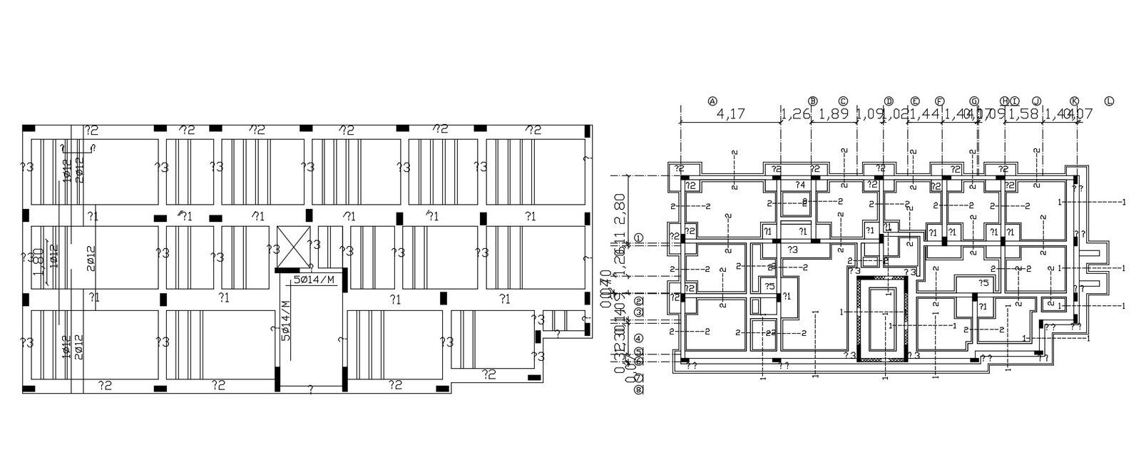
Architecture drawing foundation includes centerline, section line, reinforced bars, column marking and also more details. download the DWG file of the foundation plan design.
Profile

Uploaded by:

Poonam

find Latest

Related Files

WhatsApp Chat