Foundation Details Layout AutoCAD File
Description
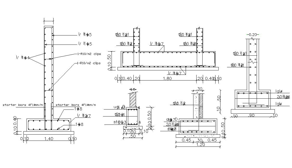
The modern architecture drawing include reinforced bar details, longitudinal reinforcement, transverse reinforcement, column details, footing details and also given details of all reinforcement diameter with space, stirrup bar, etc. download CAD file.
Uploaded by:

