Structural Column and Beam Joint Design CAD Drawing
Description
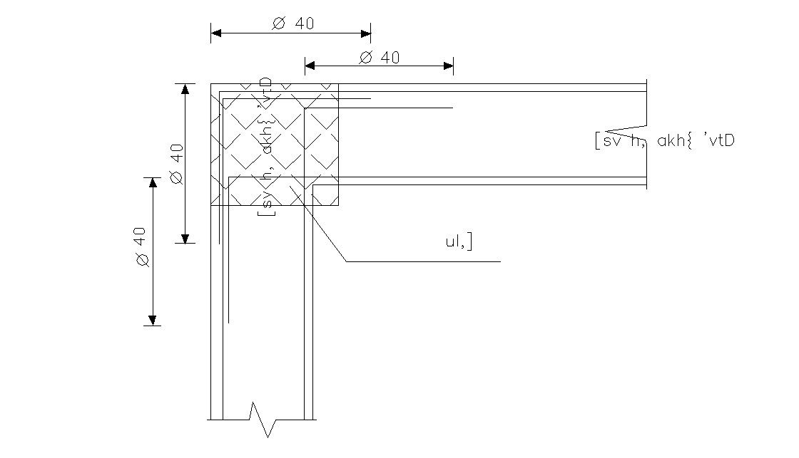
CAD drawing details of RCC column and beam structural joint design that shows reinforcement bars detailing in tension and compression zone along with main and distribution hook up and bent up bars details.Download Structural joints details of RCC column beam for free.

Uploaded by:
akansha
ghatge

