Combined Footing RCC Structure Design CAD Drawing
Description
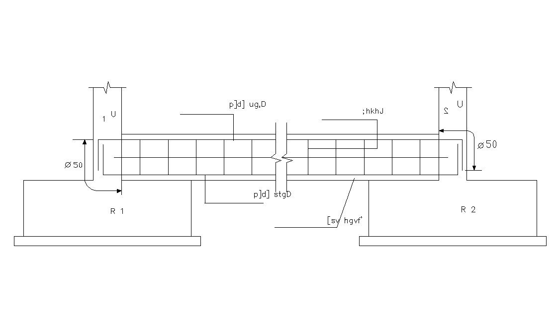
2d CAD drawing details of RCC combined strap footing design that shows reinforcement details in tension and compression zone along with main and distribution hook up and bent up bars details. Footing size with bar dimension details also shown in drawing download AutoCAD file.

Uploaded by:
akansha
ghatge

