Structural Column Footing Design CAD Drawing
Description
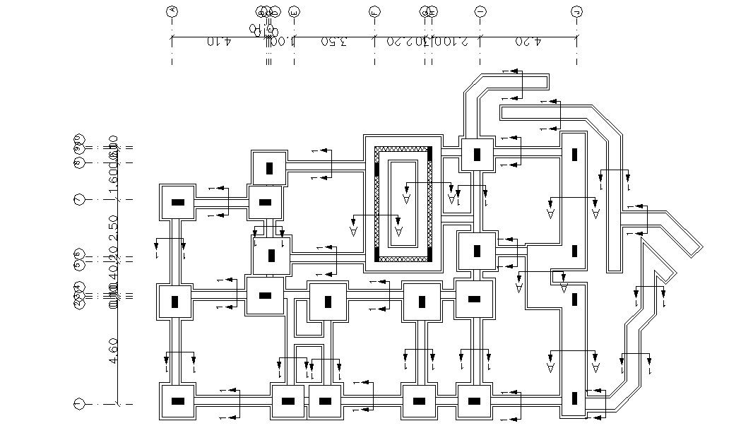
CAD structural drawing details of column footing that shows column pile foundation footing design details with section line, rectangular and square footing design, column center grid lines, dimension working set, and various other structural work details. Download RCC structural work design for column footing.

Uploaded by:
akansha
ghatge

