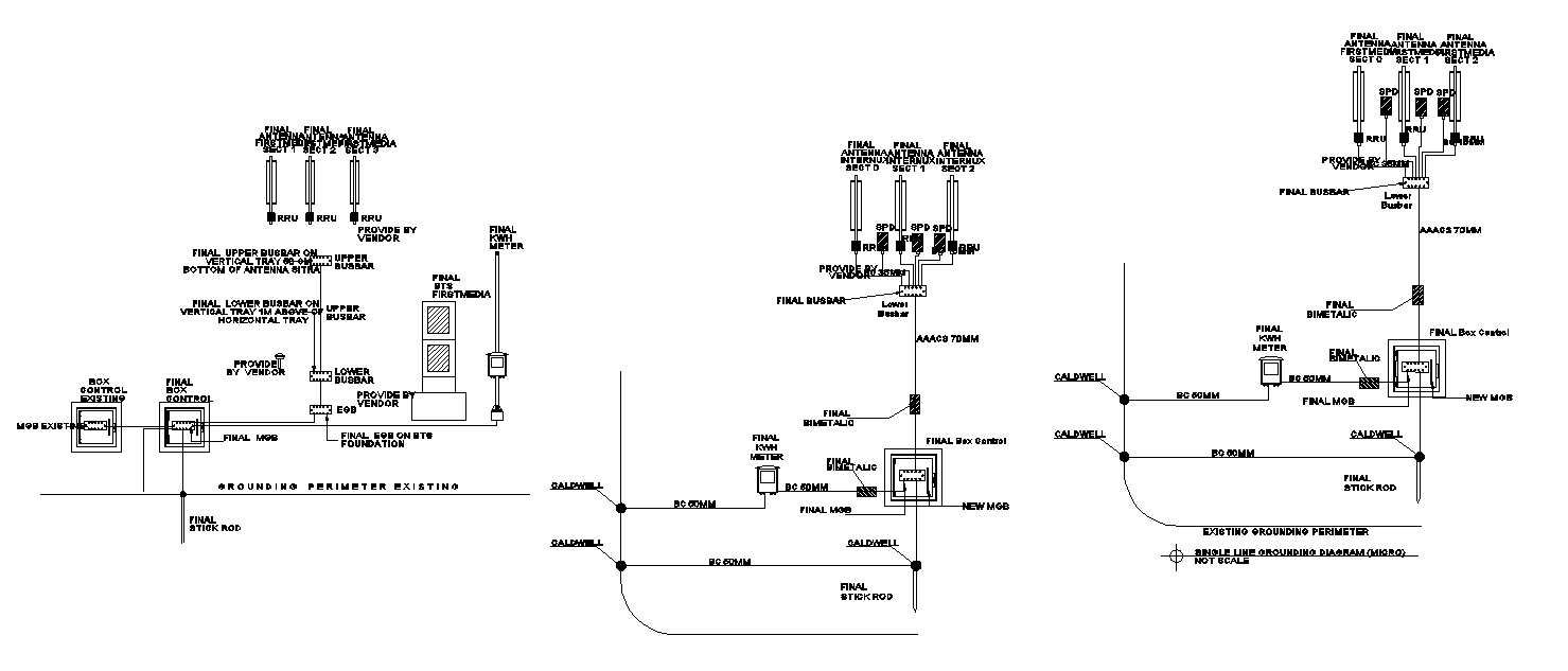
Single line Grounding Electrical Diagram, Download the Autocad File to know the details.
Description
The Autocad drawing file shows the electrical connection of Single line Grounding, the detailed explanation of single line grounding is available in this drawing file. The connection of Caldwell, final box control, final bimetallic, final KWH meter is available, Download the Autocad File to know more details.

Uploaded by:
AS
SETHUPATHI

