Standard Shallow Pit Section CAD Model DWG File Download
Description
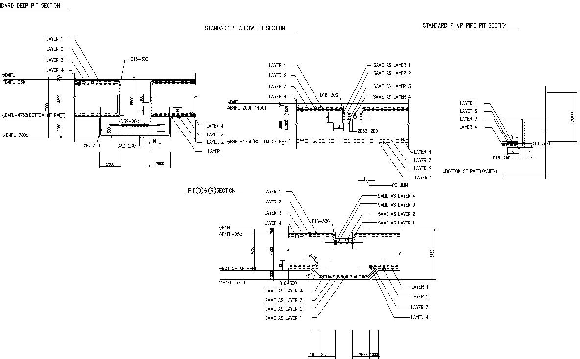
The AutoCAD drawing files show the details of building standard shallow pit section details. The reinforcement details of the pit section are perfectly given in this drawing file. Download the AutoCAD drawing file for free. Thank you for downloading the DWG file from our website.

Uploaded by:
AS
SETHUPATHI

