DWG drawing file shows the details of the single line machine electrical connection details, Download the DWG file.
Description
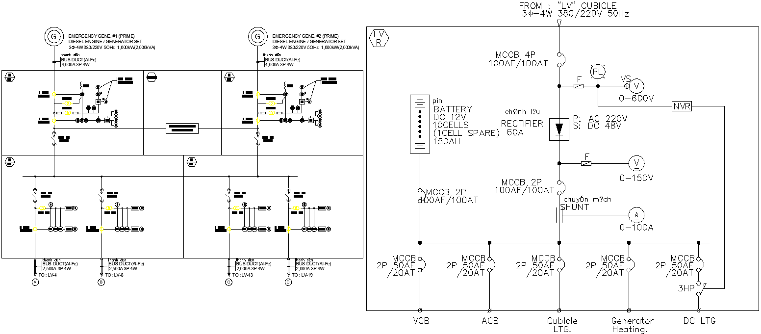
DWG drawing file shows the details of the single line machine electrical connection details, Battery connection, emergency light connection, Generator set details, Emergency generator set and diesel engine are marked in this drawing. Download the DWG file.

Uploaded by:
AS
SETHUPATHI

