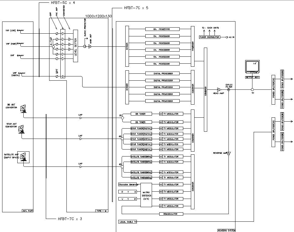
AutoCAD DWG file showing the details of the CATV system block detailed diagram,Download the DWG file.
Description
AutoCAD DWG file showing the details of the CATV system block detailed diagram, In the sectional plan, parts of the CATV system block are noted in this AutoCAD Drawing file. AV,TV modulator, BS tuner, Digital processor, Satellite AWT, Stra AWT convertor, are mentioned in the section plan. Download the DWG file. Thanks for downloading DWG file from our website.

Uploaded by:
AS
SETHUPATHI

