AutoCAD drawing files showing the foundation bolt details.Download the AutoCAD 2D DWG file.
Description
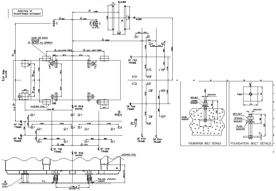
AutoCAD drawing files showing the foundation bolt details. In this file, the sectional plan is clearly shown in the drawing. Fan frame, jacking pad, rail gauge are the details mentioned in the drawing. Download the AutoCAD 2D DWG file. Thanks for downloading the Autocad dwg file from our website.
File Type:
DWG
File Size:
292 KB
Category::
Structure
Sub Category::
Section Plan CAD Blocks & DWG Drawing Models
type:
Gold

Uploaded by:
AS
SETHUPATHI

