ISMB And ISMC Connection Detail
Description
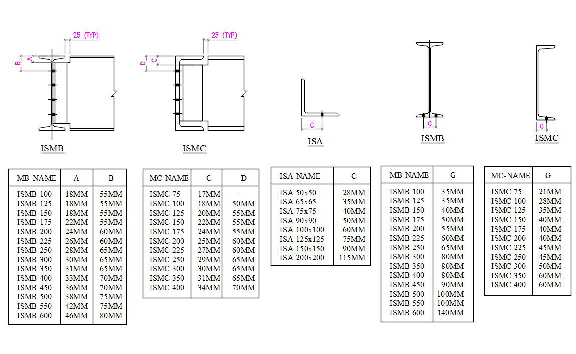
ISMB AND ISMC CONNECTION DETAIL
Greetings from PREMIUM ENGINEERING...
Dear Sir/madam we do following civil and Structural based activities
1. Soil Investigation and Testing
2. Construction Material Testing
3. Structural Design and Detailing For Steel and Rcc
4. Construction Civil
5. Interior Works
6. Man power supply
7. Water Proofing works
8. Building Renovation Works
9. Structural Fabrication and Erection
10. 3D modelling and Elevations
Pls suggest or refer any kind of related work to our services let us know.
Thanks
Uploaded by:
Premium
Engineering

