The electrical motor section details the AutoCAD DWG drawing file is given. Download the AutoCAD 2D DWG file.
Description
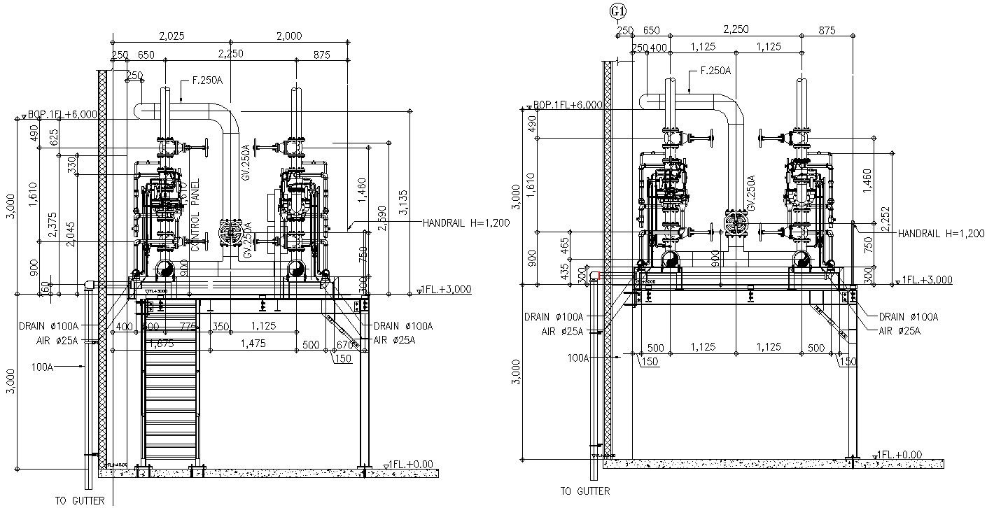
The electrical motor section details the AutoCAD DWG drawing file is given. Sectional details are clearly given in this drawing file. The electrical motor section details are given in this DWG file. Download the AutoCAD 2D DWG file. Thank you so much for downloading DWG file from our website

Uploaded by:
AS
SETHUPATHI

