The Wale Plan section and Elevation details are given in this AutoCAD Drawing File.Download the AutoCAD DWG file .
Description
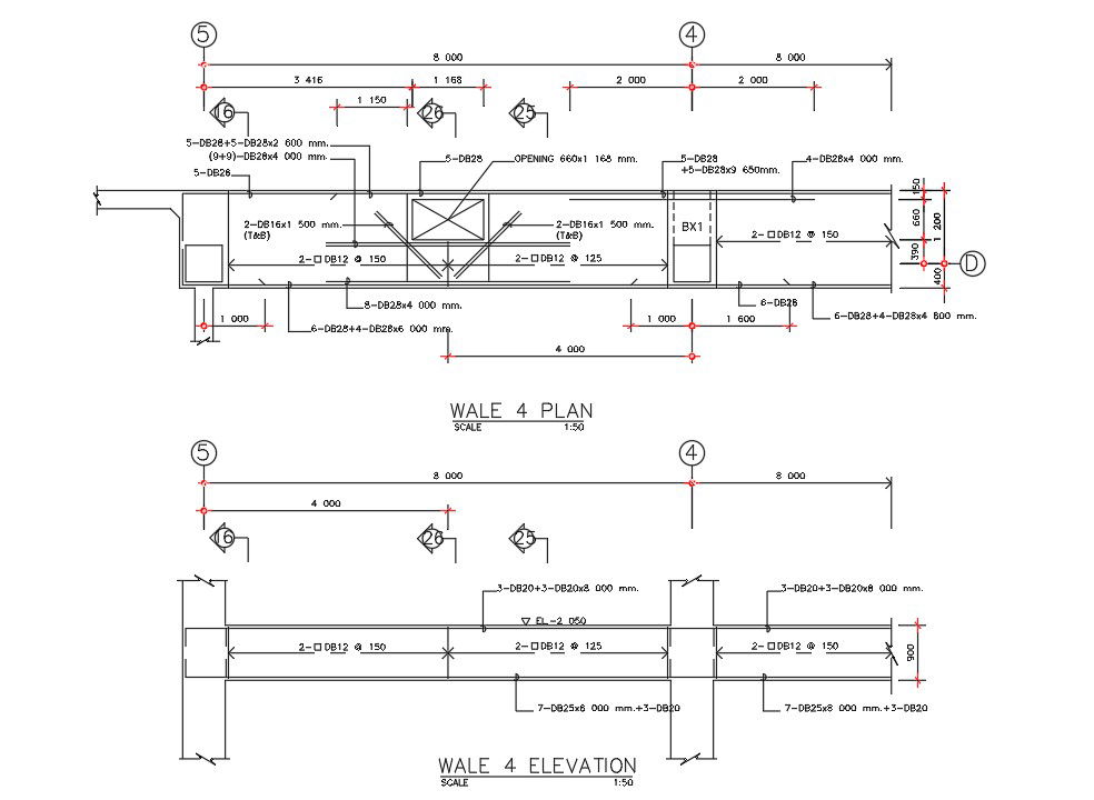
The Wale Plan section and Elevation details are given in this AutoCAD Drawing File. The typical clear section detail and the dimension were also are given clearly in this drawing. Download the AutoCAD DWG file now. Thanks for downloading the file and another CAD program from the cadbull.com website.
File Type:
DWG
File Size:
133 KB
Category::
Structure
Sub Category::
Section Plan CAD Blocks & DWG Drawing Models
type:
Free

Uploaded by:
AS
SETHUPATHI

