Beam and column Reinforcement section details are provided in this AutoCAD DWG file. Download the AutoCAD DWG file now.
Description
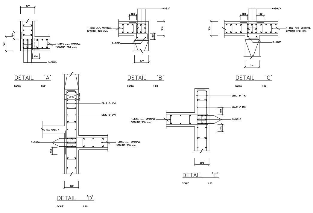
Beam and column Reinforcement section details are provided in this AutoCAD DWG file. In this file, beam, column, steel bar reinforcement, and wall sectional details were neatly shown. The section detail and the dimension were also are given clearly in this drawing. Download the AutoCAD DWG file now. Thanks for downloading the file and another CAD program from the cadbull.com website.

Uploaded by:
AS
SETHUPATHI

