The wall section Reinforcement details of roof and 12th to 16th floor are given in this AutoCAD DWG file. Download the AutoCAD 2D DWG file now.
Description
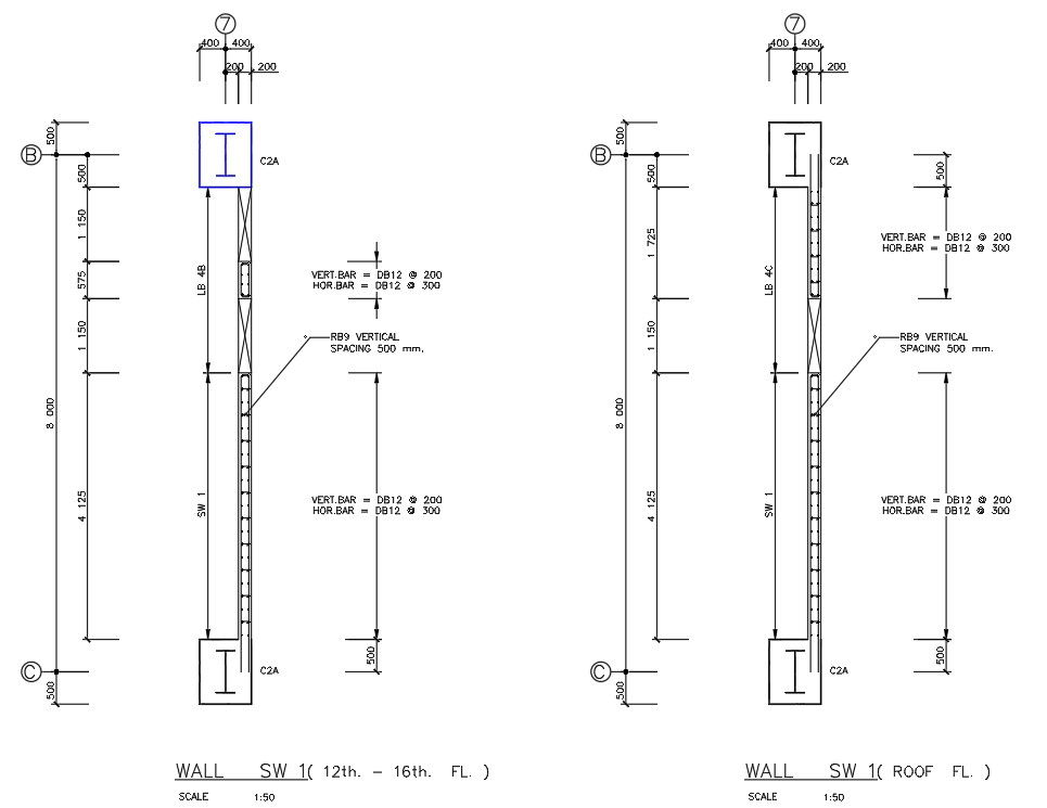
The wall section Reinforcement details of roof and 12th to 16th floor are given in this AutoCAD DWG file. In this file, steel bar reinforcement, ramp, and wall sectional details were neatly shown. The section detail and the dimension were also are given clearly in this drawing. Download the AutoCAD 2D DWG file now. Thanks for downloading the file and another CAD program from the cadbull.com website.
File Type:
DWG
File Size:
136 KB
Category::
Structure
Sub Category::
Section Plan CAD Blocks & DWG Drawing Models
type:
Free

Uploaded by:
AS
SETHUPATHI

