Reinforcement section details of Vertical spacing are provided in this AutoCAD DWG file.Download the AutoCAD DWG file
Description
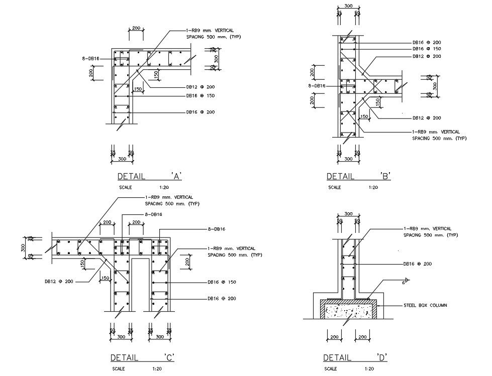
Reinforcement section details of Vertical spacing are provided in this AutoCAD DWG file. In this file, beam, steel box column, steel bar reinforcement, and wall sectional details were neatly shown. The section detail and the dimension were also are given clearly in this drawing. Download the AutoCAD DWG file now. Thanks for downloading the file and another CAD program from the cadbull.com website.
File Type:
DWG
File Size:
147 KB
Category::
Structure
Sub Category::
Section Plan CAD Blocks & DWG Drawing Models
type:
Gold

Uploaded by:
AS
SETHUPATHI

